1. Giới thiệu sản phẩm
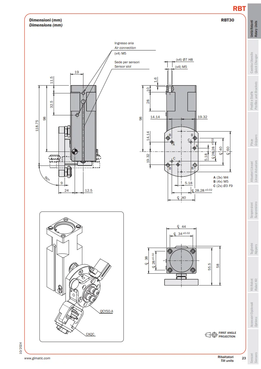
RBT là thiết bị của Gimatic được sử dụng trong các đơn vị quay phục vụ robot và hệ thống tự động hóa. Dòng đơn vị quay khí nén này được thiết kế cho EOAT và thực hiện chuyển động nghiêng với góc quay 90°.
Series RBT được trang bị hai chốt chặn hành trình bằng cao su có thể điều chỉnh, hỗ trợ mô-men nâng cao và có khóa an toàn (ngoại trừ model RBT30). Thiết bị cũng hỗ trợ tùy chọn cảm biến từ.

2. Thông số kỹ thuật
-
Dòng sản phẩm: RBT
-
Loại: Bộ nghiêng khí nén cho EOAT
-
Góc quay: 90°
-
Chặn hành trình: Hai chặn cao su điều chỉnh được
-
Mô-men nâng: Cao
-
Khóa an toàn: Có (ngoại trừ RBT30)
-
Cảm biến: Tùy chọn cảm biến từ
Các thông số kỹ thuật chi tiết có thể tham khảo trong catalogue chính thức của Gimatic.
Hình ảnh catalogue:



Catalogue chính thức của Gimatic:
Xem chi tiết tại đây:
3. Ứng dụng
-
Robot công nghiệp
-
Hệ thống EOAT
-
Hệ thống gắp và thao tác chi tiết
-
Dây chuyền tự động hóa
4. Ưu điểm nổi bật
-
Góc nghiêng 90°
-
Hai chặn hành trình cao su điều chỉnh được
-
Mô-men nâng cao
-
Có khóa an toàn (ngoại trừ RBT30)
-
Tùy chọn cảm biến từ
5. Chính sách bán hàng & Cam kết
-
Cung cấp sản phẩm Gimatic chính hãng
-
Tư vấn lựa chọn sản phẩm phù hợp
-
Hỗ trợ kỹ thuật trước và sau bán hàng
-
Giao hàng theo xác nhận đơn hàng
Gimatic
SMC
Solvac
Poggi
Riand
Supervane
Rossi
Nissei
Ducksung
Matsumoto